Bennett trimmilevyjen sylinterin vuoto
- jami
-
Kirjoittaja
- Poissa
- Premium Member
-
Vähemmän
Lisää
- Viestejä: 148
- Vastaanotettu kiitos 6
14 vuotta 10 kuukautta sitten - 14 vuotta 10 kuukautta sitten #1622
: jami
Formula 242LS / Stroker 496+Bravo1X
"One is one too many, one more is never enough."
Bennett trimmilevyjen sylinterin vuoto kirjoittanut jami
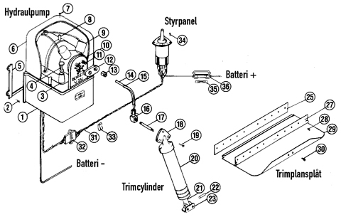
Luin jenkkiläiseltä sivustolta, että Bennett-trimmien sylinterien öljyvuoto olisi yksinkertaista korjata purkamalla ja uusimalla sisällä olevat kaksi O-rengasta. Onko kellään kokemusta asiasta ja mistä saisi uudet sopivat O-renkaat? Tietysti voi uusia koko sylinterit, mutta jos korjaus on yksinkertaista niin...
Formula 242LS / Stroker 496+Bravo1X
"One is one too many, one more is never enough."
Viimeksi muokattu: 14 vuotta 10 kuukautta sitten jami.
Kirjaudu liittyäksesi keskusteluun.
- Pukatti
- Poissa
- New Member
-
14 vuotta 10 kuukautta sitten - 14 vuotta 10 kuukautta sitten #1623
: Pukatti
Vastaus käyttäjältä Pukatti aiheessa Vs: Bennett trimmilevyjen sylinterin vuoto
www.tiivistekeskus.fi ainakin omaa ison varaston. Kannattanee samalla vaihtaa varrenpyyhkijätkin. Minä sorvautin Bravoon pyyhkijöille isommat pesät koska vanhat oli syöpyneet pahasti.
Viimeksi muokattu: 14 vuotta 10 kuukautta sitten Pukatti.
Kirjaudu liittyäksesi keskusteluun.
Sivu luotiin ajassa: 0.035 sekuntia
- Olet tässä:
-
Etusivu
-
Foorumi
-
Main Forum
-
Yleistä
- Bennett trimmilevyjen sylinterin vuoto